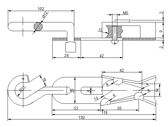
Stezaljka krajnja PSK 1/500
4280171
PTT VESNIK 3/68, 7/74

* Izraţene veličine su u milimetrima

IzraĎeno prema: TU PTT Vesniku 3/68 i 7/74
Zaštita: Prema TU PTT Vesniku 9/1975
Primena: Stezaljka je namenjena za opterećenja do 500dN
4280171
PTT VESNIK 3/68, 7/74

* Izraţene veličine su u milimetrima

IzraĎeno prema: TU PTT Vesniku 3/68 i 7/74
Zaštita: Prema TU PTT Vesniku 9/1975
Primena: Stezaljka je namenjena za opterećenja do 500dN
Laze Lazarevića 42, Novi Sad
Telefon:
021/ 466-351
636-88-80
636-88-92
636-95-66
469-098