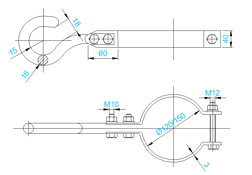
Nosač za stub sa pojasom PSK 11/750
11/750 - 985272, 11/500 - 4280258
PTT VESNIK 2/75

* Izražene veličine su u milimetrima

Izrađeno prema: PTT Vesniku 2/75
Zaštita: Prema TU PTT Vesniku 9/1975
Primena: Za dozvoljeno opterećenje je 750dN
11/750 - 985272, 11/500 - 4280258
PTT VESNIK 2/75

* Izražene veličine su u milimetrima

Izrađeno prema: PTT Vesniku 2/75
Zaštita: Prema TU PTT Vesniku 9/1975
Primena: Za dozvoljeno opterećenje je 750dN
Laze Lazarevića 42, Novi Sad
Telefon:
021/ 466-351
636-88-80
636-88-92
636-95-66
469-098