Izrada metalnih proizvoda
Površinska zaštita metala - galvanizacija

PSK oprema

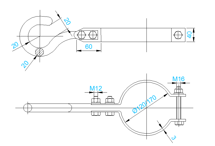
Nosač za stub sa pojasom PSK 11/2000 i 11/1300

PSK 11/2000 - 655770, PSK11/1300 - 02.02.99
PTT VESNIK 3/68, 7/74

 

nosac za stub sa pojasom 065577

* Izražene veličine su u milimetrima

nosac za stub sa pojasom 065577

Izrađeno prema: PTT Vesniku 3/68 i 7/74
Zaštita: Prema TU PTT Vesniku 9/1975
Primena: Za dozvoljeno opterećenje je 1300dN i 2000dN

Kontakt

Laze Lazarevića 42, Novi Sad

Telefon:
021/ 466-351
       636-88-80
       636-88-92
       636-95-66
       469-098