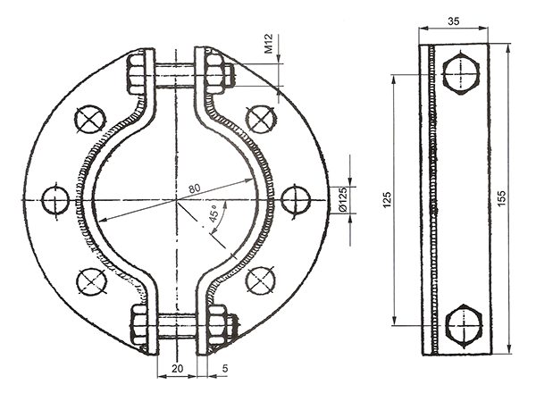
Nosač razvodni za cev PSK 17B
819875
Tehnički uslovi Telekoma


Izrađeno prema: Tehnički uslovi Telekoma
Zaštita: Prema TU PTT Vesniku 9/1975
819875
Tehnički uslovi Telekoma


Izrađeno prema: Tehnički uslovi Telekoma
Zaštita: Prema TU PTT Vesniku 9/1975
Laze Lazarevića 42, Novi Sad
Telefon:
021/ 466-351
636-88-80
636-88-92
636-95-66
469-098