Izrada metalnih proizvoda
Površinska zaštita metala - galvanizacija

PSK oprema

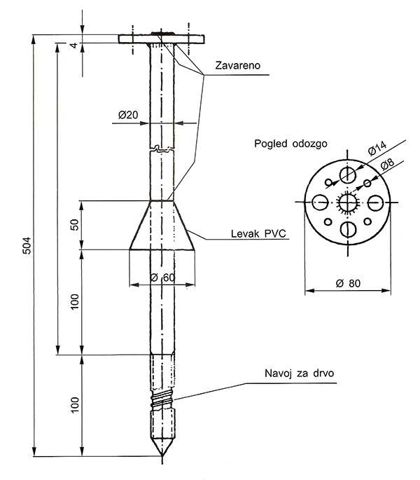
Nosač krovni razvodni PSK 12/300

02.02.99
PTT VESNIK 3/68

 

nosac krovni razvodni psk 12 300

 

nosac za stub sa pojasom 065577

Izrađeno prema: PTT Vesniku 3/68
Zaštita: Prema TU PTT Vesniku 9/1975
Primena: Za najveće opterećenje nosača 500dN

Kontakt

Laze Lazarevića 42, Novi Sad

Telefon:
021/ 466-351
       636-88-80
       636-88-92
       636-95-66
       469-098