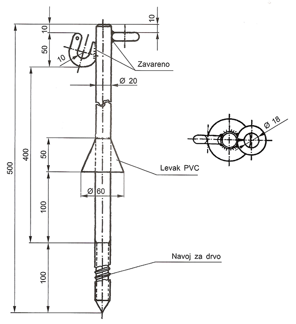
Nosač krovni prolazni krajnji PSK 13/300
PSK 13/300 271489, PSK 13/360 4280268, PSK 13/440 4280278
PTT VESNIK 3/68


Izrađeno prema: PTT Vesniku 3/68
Zaštita: Prema TU PTT Vesniku 9/1975
Primena: Za najveće opterećenje nosača je 500dN
PSK 13/300 271489, PSK 13/360 4280268, PSK 13/440 4280278
PTT VESNIK 3/68


Izrađeno prema: PTT Vesniku 3/68
Zaštita: Prema TU PTT Vesniku 9/1975
Primena: Za najveće opterećenje nosača je 500dN
Laze Lazarevića 42, Novi Sad
Telefon:
021/ 466-351
636-88-80
636-88-92
636-95-66
469-098